I. Ký hiệu an toàn và những điều cần chú ý
II. Thông số kỹ thuật
III. Sơ đồ nguyên lý điện khí
IV. Tên gọi các bộ phận
V. Phương pháp lắp đặt
VI. Phương pháp thao tác
VII. Yêu cầu của địa điểm sử dụng máy
VIII. Thùng trữ nước và ống thoát nước
IX. Bảo trì và kiểm tra
X. Nguyên nhân sự cố và đối sách
XI. Hiển thị chỉ dẫn báo động
I. Ký hiệu an toàn và những điều cần chú ý
- Ý nghĩa liên quan của ký hiệu và cách nhận biết.
- Trước khi sử dụng hãy đọc kỹ ký hiệu an toàn và những điều cần chú ý.
| Không nhìn thấy ký hiệu này mà sử dụng sai thì sẽ gây ra tổn thất tài sản như tai nạn thương vong về người, hỏa hoạn. |
Cảnh báo |
Không nhìn thấy ký hiệu này mà sử dụng sai thì sẽ gây ra tổn thất tài sản như tai nạn thương vong về người, hỏa hoạn. |
Cấm |
Ký hiệu này thể hiện hành vi cấm. |
| Ký hiệu này thể hiện cưỡng chế và chỉ thị |
| Ký hiệu này thể hiện đốc thúc chú ý nội dung |
VÌ AN TOÀN, NHẤT ĐỊNH PHẢI TUÂN THỦ
Những nội dung thể hiện trong các cột bên dưới sẽ có khả năng dẫn đến các hậu quả nghiêm trọng tùy theo các tình huống khác nhau.
Các ghi chép này đều rất quan trọng, nhất định phải đọc kỹ và tuân thủ.
![]() |
Ở nơi sử dụng hoặc cất giữ vật chất dễ bay hơi (dung dịch dễ bay hơi như dung dịch pha loãng, xăng, dầu lửa, khí hóa lỏng, bụi và hơi nước dễ bay hơi như nhôm, magie, chì…), tuyệt đối không được dùng máy lạnh, sẽ gây nguy hiểm như hỏa hoạn, cháy nổ, bị bỏng… |
![]() |
Không được cải tạo sử dụng sẽ gây nguy hiểm như hỏng máy, thậm chí là hỏa hoạn. |
![]() |
Ngoài nhân viên kỹ thuật sửa chữa ra, các nhân viên khác không được phép tháo dỡ, tránh xảy ra các sự cố an toàn như hỏa hoạn, điện giật, bị thương… Nếu phải sửa chữa hãy liên hệ với bộ phận dịch vụ hậu mãi ở nơi mua. |
![]() |
Không được sử dụng ở những nơi có nước mưa, nước tuyết, không được dung khăn ẩm thao tác. |
![]() |
Sử dụng nguồn điện 220V một chiều. Nếu sử dụng nguồn điện ngoài 220V ra sẽ làm máy bị hỏng và dẫn đến các sự cố an toàn. |
| Lắp đặt điện khí nhất định phải do nhân viên kỹ thuật thao tác theo tiêu chuẩn thiết bị và quy định nối dây. | |
![]() |
Để tránh máy móc bị biến hình, không được để gần nguồn lửa. |
VÌ AN TOÀN, NHẤT ĐỊNH PHẢI TUÂN THỦ
![]() |
Sử dụng trong phạm vi quy định 18oC ~ 25oC, nếu không dễ làm máy gặp sự cố. |
![]() |
Khi máy hoạt động không được di chuyển máy lạnh, phải điều chỉnh thiết bị chế động của bánh chân ở trạng thái khóa chắc. |
![]() |
Nếu xuất hiện tình huống khác thường trong quá trình sử dụng (dừng chuyển động, tiếng động lạ, chấn động lạ, mùi khác thường) thì phải lập tức dừng sử dụng. |
![]() |
Để ngăn tai họa, tổn thương, máy lạnh không được sử dụng ở các nơi sau:
|
![]() |
Nếu không sử dụng máy trong một thời gian dài thì phải cắt nguồn điện. |
![]() |
Để tránh bị điện giật, khi lắp đặt và sửa chữa phải cắt nguồn điện. |
![]() |
Không được sử dụng làm máy điều hòa cho thuyền bè, xe cộ. Nếu không sẽ dẫn đến sự cố an toàn. |
![]() |
Không được thò tay vào ngón tay vào trong cửa ra gió. |
II. Thông số kỹ thuật
| Nguồn điện | AC 220V/50HZ | |
| Lượng chế lạnh | 3500W | |
| Chọn lượng gió | Mạnh | Yếu |
| Lượng thải gió lạnh | 22m3/min | 15m3/min |
| Lượng thải gió nóng | 40m3/min | 32m3/min |
| Dòng điện hạn định | 7A | 6,65A |
| Dòng điện lớn nhất | 8,0A | |
| Công suất tiêu hao | 1370W | 1300W |
| Công suất tiêu hao lớn nhất | 1630W | |
| Máy nén | Loại xoay tròn khép kín hoàn toàn | |
| Phương pháp xử lý nước ngưng đọng lạnh | Thùng trữ nước 15L | |
| Chất làm lạnh | R410A | |
| Lượng đổ chất làm lạnh vào | 700g | |
| Áp lực thải khí | 3,0MPa | |
| Áp lực hút khí | 0,9MPa | |
| Áp lực vận hành lớn nhất | 4,0MPa | |
| Môi trường sử dụng | 18o ~ 45oC | |
| Kích thước bên ngoài | 590mm x 520mm x 1060mm | |
| Chất lượng | 62kg | |
Trên đây là số liệu khi nhiệt độ môi trường 35oC, độ ẩm tương đối 60%.
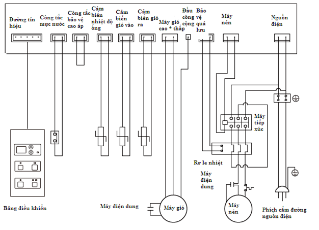
III. Sơ đồ nguyên lý điện khí

IV. Tên gọi các bộ phận

- Thiết bị đi kèm:
Ống ra nước 1 cái
Tổ hợp bệ ống gió 1 bộ (mua riêng)
Ống gió lạnh 2 cái (mua riêng)
Ống gió xả nhiệt 1 cái (mua riêng)

V. Phương pháp lắp đặt
- Lắp đặt tổ hợp bệ ống gió
Tháo 6 con đinh ốc lắp đặt ở cửa sổ ra gió, sau đó tháo tổ hợp cửa sổ ra gió.
Ngắm chuẩn tổ hợp bệ ống gió vào 6 lỗ lắp đặt, sau đó vặn chặt đinh ốc vào là được.
Chú ý:
Nhận chuẩn 2 đinh ốc bên trái là 4×22 tự tấn công (ngắn).
- Lắp đặt ống gió lạnh
Ngắm chuẩn phần lồi ra ở cổng nối ống gió lạnh cắm vào phần lõm của tổ hợp bệ ống gió, vặn sang phải cho khít là được.
Chú ý:
Cấm sử dụng vật thay thế khác cho ống gió lạnh.


- Lắp đặt ống gió xả nhiệt
Tháo ba đinh ốc ở bên cạnh cửa xả nhiệt, sau đó lắp bộ ống gió xả nhiệt ở trên cửa xả nhiệt, tiếp đó cố định ba con ốc vừa tháo ra.
Chú ý:
Độ dài của ống xả nhiệt không được vượt quá 3m.
Độ cong của ống xả nhiệt không được nhỏ hơn 90 độ.
Gió nóng của ống xả nhiệt phải xả lên trên.
- Liên kết dây nguồn điện
Trực tiếp lấy điện từ ổ cắm 220V/50Hz.
|
| Độ dài dây nguồn điện | Quy cách chọn dùng |
| Trong 8m | 1,5mm2 |
| Trong 20m | 2,5mm2 |
- Sử dụng bộ đoản mạch rò điện quy cách là 15A, 30mA, thời gian động tác trong 0,1sec.
- Sử dụng dây tiếp đất có diện tích mặt cắt là 1,5mm2.
- Khi di chuyển hoặc cất giữ máy có thể quấn dây nguồn điện trên móc treo dây nguồn điện.

VI. Phương pháp thao tác
Nối thông nguồn điện, đèn chỉ thị của công tắc nguồn điện bật sáng, ấn nút công tắc nguồn điện sẽ mở hoặc đóng được máy.
Ấn nút lựa chọn lượng gió sẽ chọn được lượng gió cấp mạnh và cấp yếu, đồng thời đèn chỉ thị lượng gió sẽ hiển thị cấp mạnh và cấp yếu.
Ấn nút cài đặt nhiệt độ, màn hình hiển thị LED chuyển sang chế độ cài đặt nhiệt độ, đèn chỉ thị nhiệt độ nhấp nháy. Ấn nút điều chỉnh trên dưới sẽ cài đặt được nhiệt độ môi trường mà bạn muốn, tức vận hành theo chế độ nhiệt độ cài đặt của môi trường. Phạm vi có thể cài đặt của nhiệt độ môi trường là 18oC ~ 25oC. Sauk hi hoàn thành thao tác 3 giây, màn hình hiển thị LED tự động khôi phục chế độ hiển thị nhiệt độ, hiển thị nhiệt độ môi trường hiện tại, đèn chỉ thị nhiệt độ thường sáng. Khi nhiệt độ môi trường cao hơn nhiệt độ cài đặt 1oC, máy nén sẽ làm việc, cổng ra gió sẽ truyền ra gió lạnh; Khi nhiệt độ môi trường thấp hơn nhiệt độ cài đặt 1oC thì máy nén sẽ dừng làm việc, cửa ra gió truyền ra gió tự nhiên.
Ấn nút cài đặt định giờ, đèn chỉ thị định giờ bật sáng, đèn chỉ thị nhiệt độ tắt đi, màn hình hiển thị LED hiển thị thời gian định giờ tắt máy (12h), ấn nút điều chỉnh trên dưới sẽ cung cấp cho bạn thời gian chọn tắt máy tuần hoàn (1-12h), sau 3 giây hoàn thành thao tác, màn hình hiển thị khôi phục nhiệt độ môi trường hiển thị, đèn chỉ thị nhiệt độ bật sáng.
Khi máy đầy nước, quá dòng điện, quá nóng, đèn chỉ thị báo động sẽ bật sáng, máy dừng hoạt động, màn hình hiển thị LED hiển thị mã sự cố tương ứng.
Người dung có thể căn cứ vào cửa sổ ra gió kéo đẩy nhẹ để điều chỉnh hướng ra gió mà mình muốn.
Hai bánh xe vạn hướng phía trước có thiết bị khóa chặt. Để an toàn, khi máy vận hành hãy khóa chặt thiết bị cố định ở vị trí OFF. Khi đẩy thì sẽ khôi phục ON là được. |
![]() ![]() ![]() |
VII. Yêu cầu của nơi sử dụng máy
|
![]() |
VIII. Thùng trữ nước và ống thoát nước
Chú ý:
|
![]() |

IX. Bảo trì và kiểm tra
| Định kỳ vệ sinh lưới lọc. Nếu trên lưới lọc tích nhiều bụi bẩn thì sẽ ảnh hưởng tới lượng vào gió, dễ làm cho bộ đổi nhiệt kết sương, ảnh hưởng tới hiệu quả chế lạnh, khiến cho máy gặp sự cố. |
Hãy rút lưới lọc trước từ bên phải tấm mặt trên ra. |
![]() |
Chú ý:
- Khi vệ sinh bề mặt máy, cấm sử dụng các chất hóa học như dung dịch pha loãng, dầu bay hơi, nếu không sẽ ảnh hưởng tới chất lượng bên ngoài của máy.
- Thường xuyên kiểm tra bộ phận máy, con ốc… có lỏng không, nếu lỏng thì phải kịp thời vặn chặt.
- Trước khi dừng sử dụng máy trong thời gian dài, dốc ngược hết nước tích trong thùng chứa, đợi sau khi máy khô mới cất giữ.
- Không được cất giữ máy bằng cách đặt ngang hoặc đặt dốc xuống.
- Đặt máy ở nơi trẻ em không thể chạm tới, đồng thời tránh đặt ở nơi nhiệt độ cao và bắn nước mưa hay ánh mặt trời chiếu thẳng xuống để bảo quản.
- Trong quá trình bảo trì và kiểm tra, nhất định phải ngắt nguồn điện.
- Khi bảo quản máy, nhất định phải ngắt nguồn điện.
X. Nguyên nhân sự cố và đối sách
| Loại sự cố | Nguyên nhân | Đối sách |
| Không vận hành | Phích cắm nguồn điện có phải bị lỏng rơi ra hay không. Nguồn điện gặp sự cố. Máy gặp sự cố. |
Cắm chặt phích cắm nguồn điện trên ổ cắm. Mời nhân viên kỹ thuật kiểm tra nguồn điện của khách hàng. Mời nhân viên kỹ thuật sửa chữa hoặc liên hệ với bộ phận hậu mãi của nhà máy. |
| Rò nước | Miệng ống thoát nước bị tắc Không lắp thùng trữ nước đúng vị trí. Lưới lọc phía trước có bụi bẩn. Vị trí nước trên thùng trữ nước quá cao. |
Khơi thông ống thoát nước Đặt chính xác vào đúng vị trí. Vệ sinh lưới lọc. Đổ dốc nước ra. |
| Không chế lạnh | 1. Bề mặt máy ngưng đọng lạnh bị tắc và bẩn. 2. Máy gió xả nhiệt gặp sự cố. 3. Nhiệt độ môi trường bên ngoài quá cao. 4. Điện dung của máy nén bị hỏng. 5. Điện áp truyền vào quá cao hoặc quá thấp. 6. Máy nén quá nóng quá tải. 7. Điện cơ của máy nén gặp sự cố. |
Vệ sinh bề mặt máy ngưng đọng lạnh, để máy thông gió tản nhiệt. Sửa chữa, thay máy gió xả nhiệt. Chọn dùng ở nơi phù hợp. Thay điện dung của máy nén. Chọn dùng điện áp phù hợp. Đợi sau khi làm lạnh mới khởi động và xem mục 1, 2, 3 dưới đây có sự cố hay không. Sửa chữa, thay máy nén |
| Mã sự cố hiển thị t1 Mã sự cố hiển thị t3 |
Bộ cảm biến nhiệt độ môi trường gặp sự cố. Bộ cảm biến nhiệt độ ống mâm máy bốc hơi gặp sự cố |
Thay bộ cảm biến Thay bộ cảm biến |
XI. Hiển thị chỉ thị báo động
- Giải đọc chức năng đèn chỉ thị báo động
- Máy nén quá dòng: bảng điều khiển điện tắt nguồn điện, máy lạnh dừng làm việc, đèn chỉ thị sự cố bật sáng, màn hình hiển thị LED hiển thị mã sự cố CO.
- Áp lực của hệ thống quá cao: bảng điều khiển điện tắt nguồn điện, máy lạnh dừng làm việc, đèn chỉ thị sự cố bật sáng, màn hình hiển thị LED hiển thị mã sự cố P.
- Báo đông đầy nước: bảng điều khiển điện ngắt nguồn điện, máy lạnh dừng làm việc, đèn chỉ thị sự cố bật sáng, màn hình hiển thị LED hiển thị mã sự cố FL.
- Báo động bảo vệ quá lạnh: bảng điều khiển điện ngắt nguồn điện, máy lạnh dừng làm việc, đèn chỉ thị sự cố bật sáng, màn hình hiển thị LED hiển thị mã sự cố TC.
- Một khi sự cố báo động hình thành, yêu cầu mọi người về vị trí hoặc sửa chữa, ngắt điện khởi động lại thì máy lạnh mới có thể bước vào trạng thái hoạt động bình thường.


Cảnh báo
Cấm
















